9급 국가직 공무원 토목설계 (2010년04월10일 기출문제)
1과목 : 과목 구분 없음
1번
압축부재의 설계에 대한 설명으로 옳지 않은 것은?
2번
콘크리트 옹벽의 뒷면에서 단위 m당 수평력의 합력이 20 kN이 작용할 때, 활동에 대해 안정하려면 활동저항력의 최소값[kN]은?
3번
옹벽의 구조세목 중 옳지 않은 것은?
4번
그림과 같이 t=5mm의 강판에 볼트구멍이 배치된 경우, 순단 면적[mm2]은? (단, 볼트공칭직경 ø=19mm이다)

5번
그림과 같이 긴장재를 포물선으로 배치한 프리스트레스트 콘크리트보를 하중평형의 개념으로 해석할 때, 긴장재를 긴장한 후 양끝을 콘크리트에 정착하면 압축력 외에 등분포의 상향력이 작용하게 된다. 이때 콘크리트보의 중앙단면에서 유효 프리스트레스 힘에 의해 발생하는 부(-)모멘트[kNㆍm]는? (단, 유효 프리스트레스 힘은 4,000 kN이다)

6번
PS강재가 양 지점부에서는 중립축, 경간 중앙부에서는 편심 e=100mm로 포물선 배치된 직사각형 단면 프리스트레스트 콘크리트보의 유효 프리스트레스 힘이 Pe=600 kN일 때, 경간 중앙에서 단면 상연의 응력이 0이 되기 위하여 작용시켜야 할 휨모멘트[kNㆍm]는? (단, 단면적 A=60,000mm2, 단면2차모멘트 I= 450,000,000mm4이다)

7번
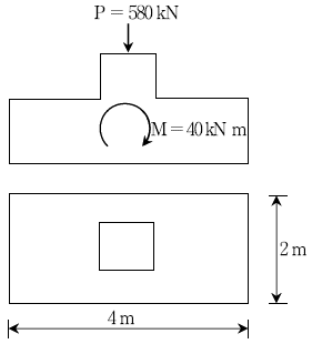
그림과 같이 바닥판과 기둥의 중심에 수직하중 P=580 kN과 모멘트 M=40kNㆍm가 작용하는 철근콘크리트 확대기초의 최대 지반반력[kN/m2]은?

8번
길이 10m인 포스트텐션 프리스트레스트 콘크리트보의 강선에 1,000MPa의 인장응력을 도입한 후 정착하였더니 정착장치에서 활동량의 합이 3 mm였다. 이때 프리스트레스의 감소율[%]은? (단, PS강재의 탄성계수 Eps=2.0 × 105MPa이다)
9번
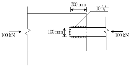
필렛용접 이음이 그림과 같은 경우 용접부에 발생하는 전단응력[MPa]은?

10번
휨을 받는 철근콘크리트 직사각형보의 전단철근 설계에 대한 설명으로 옳지 않은 것은?
11번
콘크리트의 크리프에 대한 설명으로 옳은 것은?
12번
현장치기 콘크리트인 경우, 철근의 최소 피복두께에 관한 설명으로 옳지 않은 것은? (단, 책임기술자의 승인을 받아 피복두께를 변경하지 않고, 철근의 정착길이가 피복두께에 영향을 주지 않음)
13번
그림과 같이 직사각형단면을 갖는 단순보에 하중 P가 작용하였을 경우, 최대 전단응력과 최대 휨응력을 계산한 값은? (순서대로 최대 전단응력, 최대 휨응력)

14번
그림과 같은 단철근 직사각형보를 대상으로 할 때, 콘크리트 구조설계기준에서 허용한 최대 철근량(Asmax)을 계산하는 식은? (단, fck=30MPa, fy=300MPa, 보는 프리스트레스를 가하지 않은 휨부재임)

15번
압축부재에 사용되는 나선철근이 나선철근으로서의 역할을 하기 위하여 설계시 전제되어야 할 사항으로 옳지 않은 것은?
16번
철근 또는 강연선의 간격에 대한 설명으로 옳은 것은? (단, db는 철근, 철선 또는 프리스트레싱 강연선의 공칭지름)
17번
에폭시 도막된 180o 표준갈고리를 갖는 인장 이형철근(D35)을 기둥 속으로 연장하여 정착시키려고 한다. 갈고리 평면에 수직방향인 측면 피복두께가 80mm이고, 배근철근량은 소요철근량과 같을 때, 표준갈고리의 최소 정착길이를 계산한 값[mm]은? (단, fck=25MPa, fy=400MPa이다)
18번
계수전단력 Vu가 콘크리트에 의한 설계전단강도 øVc의 1/2을 초과하고 øVc 이하인 모든 철근 콘크리트 휨부재에는 최소전단 철근을 배치한다. 이에 대한 예외규정으로 옳지 않은 것은?
19번
콘크리트구조설계기준의 강도감소계수 규정에 대한 설명으로 옳지 않은 것은?
20번
단면의 크기가 500 mm× 600mm이고, 축방향 철근(D29)을 6개 사용한 띠철근(D13) 기둥이 슬래브를 지지하고 있을 때, 슬래브의 최하단 수평철근 아래에 배치되는 첫 번째 띠철근의 최대 수직 간격[mm]은? (단, D29의 지름은 30mm, D13의 지름은 13mm이다)